上海品茶工作室_杭州夜生活品茶_上海品茶工作室

浙江英飞克电气有限公司

 找回密码
 立即注册

英飞克G1-B系列变频器在螺旋打桩机上应用

2019-7-26 09:43| 发布者: invex| 查看: 3442| 留言: 0

摘要: 螺旋打桩机是一种通过动力头带动钻杆钻头向地下钻机成孔的打桩设备。螺旋打桩机可分为三个部分;桩架部分,桩锤部分和控制操作部分。桩锤依附在桩架前部两根平行的竖直导杆(俗称龙门)之间,用提升吊钩吊升。桩架为 ...
    螺旋打桩机是一种通过动力头带动钻杆钻头向地下钻机成孔的打桩设备。螺旋打桩机可分为三个部分;桩架部分,桩锤部分和控制操作部分。桩锤依附在桩架前部两根平行的竖直导杆(俗称龙门)之间,用提升吊钩吊升。桩架为一钢结构塔架,在其后部设有卷扬机,用以起吊桩和桩锤。桩架前面有两根导杆组成的导向架,用以控制打桩方向,使桩按照设计方位准确地贯入地层。打桩工艺是:螺旋打桩机就位—埋设护筒—钻头轻触地面后旋转开钻—放下钻头—钻孔完成,清孔并测量深度—放入钢筋笼和导管—进行混凝土灌注—拔出护筒并清理桩头沉淤回填,成桩。 打桩机的基本技术参数是冲击部分重量、冲击动能和冲击频率,负载冲击性较大。

 

                       螺旋打桩机结构示意图

    

    打桩机用于房地产和高铁地基打桩,深度一般在15---25米之间(根据地质的要求)。通过一根螺旋形空心的钻杆旋转到地下,形成一个空洞然后通过钻杆的空心往里面灌混凝土钻杆也随之旋出,最后把扎好的15--25米的钢筋笼子通过震动器下到灌满混凝土的坑里待48小时后形成一个钢筋混凝土的基桩作为大厦或桥墩的承重。

                               螺旋打桩机现场图


螺旋打桩机一般由两台55KW或两台75KW的电机同时作用于减速箱带动钻杆的正反方向的旋转,目前90%以上的桩机都是通过自耦降压启动器启动,由于地质,地层或者操作员的失误经常会出现电机过载导致的空开跳闸。重新送电后很难再启动起来,只有通过多次的正反方向启动慢慢拔出,但由于自耦启动器和电机频繁启动都会发热,里面的交流接触器,减速箱以及连接钻杆的螺丝受到频繁强烈冲击很容易损坏且更换费时费力。过了24小时混凝土凝固了就拔不出了,一根钻杆分为4节价值在3-5万左右。

因此,英飞克变频器秉承为客户节能节省的理念,对打桩机进行了研究改造方案,结果发现应用G1-B系列变频器于打桩机后,拥有如下众多优势:

1、启动转矩大,机械磨损小。如遇地层或操作失误钻杆被夹住只有变频会跳故障其他设备不会受影响,以前钻杆被夹住频繁启动需考虑自耦启动器的承受能力错过了最佳时机(时间越长混凝土凝固越紧),变频器的无冲击启动减少了动力系统的机械磨损;

2、提高了效率,4根钻杆的连接由于没有了冲击和速度控制螺丝的对孔控制非常准确省时,以前工作几小时就得爬到塔架上去打紧快要松动的螺丝,目前可以3--5天紧一次;

3、节能省电减少磨损,变频频繁启动不会发热且没有冲击实现了节能,减少了电机和减速机的磨损,因很多工地都只有250KVA的变压器如频繁降压启动很可能导致变压器的损坏,用发电机的地方桩机降压启动时会冒黑烟,因桩机是频繁启动也会导致发电机磨损快;

4、改造简单方便,无后顾之忧。只需要安装一个防水的电柜箱把变频放到里面接正反转端子到操控室加个3档的开关就可以了。如变频出现问题只需要把电机线接到启动器上就可以用改装之前的设备了。


变频器参数设置如下:

                                 变频器参数设置表


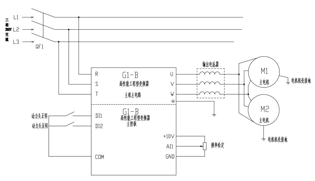
    应用图纸如下:

                                    变频器电控图纸

    

    注:由于变频器使用在螺旋打桩机上需拖带两台以上电机,一般需在变频器输出端加装输出电抗器。

    英飞克G1-B系列变频器已经在打桩机成功应用,G1-B变频器运行稳定,  变频器以一拖二的方式驱动两台电机同向旋转形成力矩带动钻杆,利用变频器的模拟量外接电位器调速以对应不同的速度要求,控制精度等技术性能均能满足实际要求,并且能够具备调速精度高、稳定性好、操作简洁及功能齐全的特点,而且成本低,使用简单方便,生产效率大大提高,且故障率低,维护方便,减少机器的磨损,延长其使用寿命

Powered by Discuz!
回顶部 主站蜘蛛池模板: 项城市| 濉溪县| 虞城县| 二连浩特市| 岢岚县| 墨竹工卡县| 监利县| 龙川县| 盖州市| 新津县| 承德县| 墨江| 乃东县| 武城县| 枣强县| 新疆| 龙门县| 高邮市| 叙永县| 金寨县| 华阴市| 淮安市| 荥阳市| 景德镇市| 泌阳县| 新平| 呼图壁县| 连州市| 贵南县| 金门县| 文成县| 老河口市| 大同县| 金沙县| 玛曲县| 库伦旗| 黔东| 宁陵县| 山东| 郴州市| 甘泉县|