上海品茶工作室_杭州夜生活品茶_上海品茶工作室
设为首页
收藏本站
请
登录
后使用快捷导航
没有帐号?
立即注册
用户名
UID
Email
自动登录
找回密码
密码
登录
立即注册
首 页
Portal
关于英飞克
新闻中心
产品与应用
服务与支持
人力资源
联系我们
公司简介
企业文化
工厂实景
公司新闻
业界动态
产品中心
应用案例
服务理念
资源下载
人才理念
招募精英
联系我们
在线咨询
文章
帖子
用户
浙江英飞克电气有限公司
›
首 页
›
产品与应用
›
应用案例
›
查看内容
产品与应用
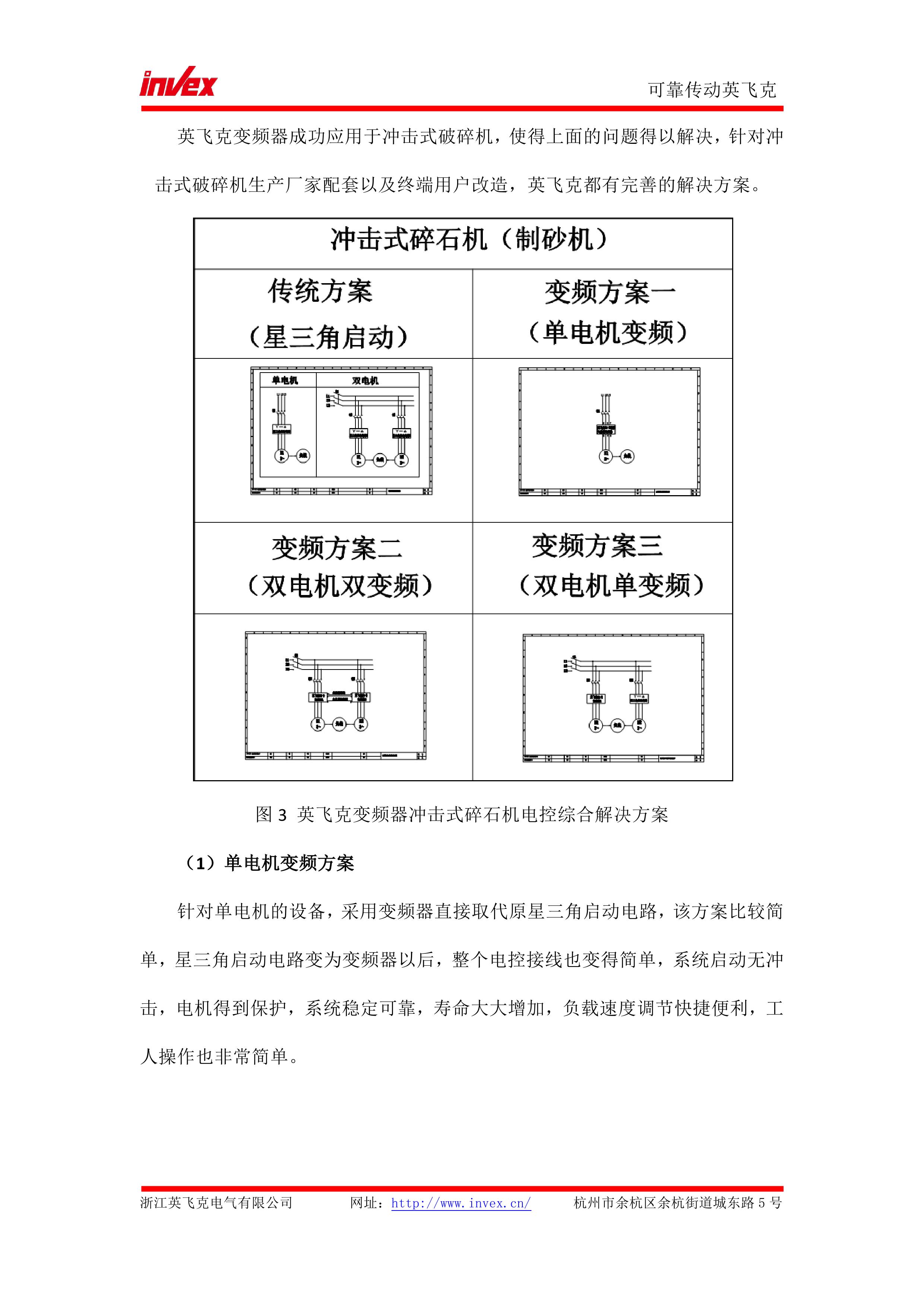
英飞克G1-B系列变频器在冲击式破碎机(制砂机)上的应用
2019-8-8 08:38
|
发布者:
invex
|
查看: 2123
|
留言: 0
收藏
分享
产品中心
应用案例
公司简介
|
新闻中心
|
服务中心
|
下载中心
|
在线咨询
|
人才招聘
|
联系我们
|
© 2025
浙江英飞克电气有限公司
(
浙ICP备17052976号-1
)
联系地址:
杭州市余杭区余杭街道城东路5号
邮编:311121 电话:0571-87607052 传真:0571-87753713
Powered by
Discuz!
积分 0, 距离下一级还需 积分
回顶部
主站蜘蛛池模板:
略阳县
|
雷州市
|
曲阜市
|
张家港市
|
广南县
|
二连浩特市
|
宁南县
|
淅川县
|
嘉兴市
|
德安县
|
灵山县
|
白城市
|
巴中市
|
保靖县
|
丹棱县
|
浮山县
|
黄山市
|
许昌市
|
龙游县
|
云浮市
|
蓬溪县
|
咸丰县
|
平远县
|
廉江市
|
民乐县
|
海宁市
|
孟连
|
沈丘县
|
友谊县
|
将乐县
|
龙口市
|
滨海县
|
嫩江县
|
盐城市
|
蓝田县
|
准格尔旗
|
天祝
|
吉安县
|
西乡县
|
沙田区
|
鸡西市
|